SKU : M00190
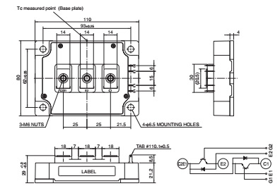
CM400DY-24NF / MODULE / MISUBISHI
Share
หมวดหมู่ : POWER MODULE , 
Product description