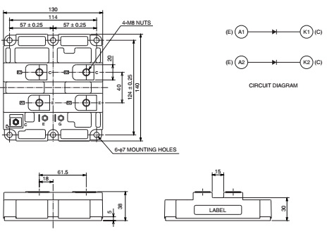
SKU : M00189
RM600DY-66S / MODULE / MISUBISHI
Share
หมวดหมู่ : POWER MODULE , 
Product description